- Главная
- Каталог
- Промышленная расходометрия
- Системы автоматизированного управления ГРС/ГИС
- Система автоматизированного управления ГРС
Система автоматизированного управления ГРС
Система автоматизированного управления ГРС
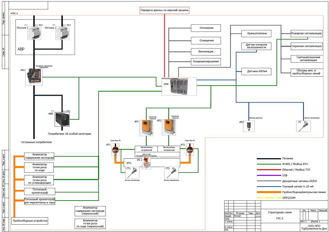
Система автоматического управления газораспределительной станцией (САУ ГРС) представляет собой программно-технический комплекс, предназначенный для автоматического контроля, автоматизированного и автоматического управления технологическими процессами и оборудованием ГРС, применяемой для подачи потребителям товарного газа в заданном объеме с определенным давлением, необходимой степенью очистки и одоризации
под заказ
Отличительные особенности
САУ ГРС, разработанная ООО НПО «Турбулентность-ДОН», обладает следующим функционалом:
- Визуализация на панели оператора (HMI) данных, измеряемых вычислительными комплексами и технологическими датчиками, расположенными на ГРС, диагностических данных, сообщений о ошибках, предупреждениях, состоянии связи и состоянии источников бесперебойного питания. Реализована мнемосхема с отображением текущей информации по расходу, давлению (на входе ГРС, на комплексе измерительном ультразвуковом, на выходе ГРС), температуре (на входе ГРС, на комплексе измерительном ультразвуковом, на выходе ГРС), перепаду давления (на фильтрах, формирователе потока), — текущие значения, последний закрытый час, последние закрытые сутки
- Внесение данных компонентного состава физических свойств природного газа, синхронизации времени с серверов точного времени в измерительные комплексы
- Сбор, обработка, хранение и передача данных от приборов измерений расхода, объема и физических свойств природного газа, измеряемого вычислительным комплексом и технологическими датчиками расположенными на ГРС на персональные АРМ оператора, потребителю газа (при необходимости) по существующим каналам передачи данных Ethernet и радиоканалам, путем интеграции в существующие автоматизированные системы сбора данных. Срок ведения архивов информации, указанной выше, составляет 10 лет.
Варианты исполнения
САУ ГРС является проектно-компонуемым изделием, состав и количество функциональных устройств которого определяется заказом в соответствии с конфигурацией конкретной ГРС.
Остались вопросы?
Задайте их нам прямо сейчас
Оставьте свой номер телефона, и наш менеджер
свяжется с вами в течение 15 минут.
Мы ответим на ваши вопросы!